按應用分類
型號:SDL-DBC1037A-36L02
產品使用對象:高爾夫球包車
產品執行功能:停車鎖死
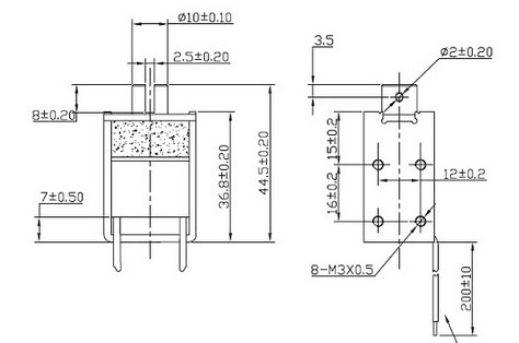
停車閉鎖單保持式電磁鐵參數
| 電壓: | DC36V | 行程: | 6mm | 電阻: | 2歐 | 功率: | 648W |
| 耐溫: | 壽命: | 10萬次 | 耐電壓: | 初始力: | 3.5Kg | ||
| 電流: | 18A | 通電率: | 5% | 彈簧回力: | 吸力: |
停車閉鎖單保持式電磁鐵產品詳情
停車閉鎖單保持式電磁鐵
型號:SDL-DBC1037A-36L02
參數
行程:6mm
電壓:DC36V
電流:18A
電阻:2歐
功率:648W
推拉力:2KG
保持力:1.5KG
初始力:3.5Kg
通電率:5%
壽命:10萬次
單次通電時間:1S
產品使用行業:高爾夫球包車
產品執行功能:停車鎖死
拓展適用行業:智能遙控停車
產品特點:推拉力2KG,保持力1.5KG,推拉時間不限。



廣州思德隆電子有限公司(http://www.iuiuw.cn)創立于2005年,是一家專業生產研發電磁鐵定制加工,電磁閥定制,電磁線圈,小型電磁鐵等各類電磁產品,擁有豐富行業經驗的廣州電磁鐵廠家、廣州電磁閥廠家、電磁線圈廠家。品種多樣,規格齊全,產品從零部件到成品組裝均有自己的加工設備以及產生線,擁有高精密度檢測儀器和自主研發的老化設備,已通過(ISO9001認證)專業制造推拉式電磁鐵/吸盤式電磁鐵從產品設計到樣品以及量產,均有量化高效的工藝流程及老化實驗檢測,保證了產品的質量與訂單的按時交貨。
關鍵詞:停車閉鎖單保持式電磁鐵
| 上一篇:長行程電梯安全雙保持電磁閥 |
| 下一篇:柜鎖插銷雙保持式電磁鐵定制 |






