型號:SDL-XQ0518A-24L144
產品使用對象:HID氙氣車燈
產品執行功能:推拉變光
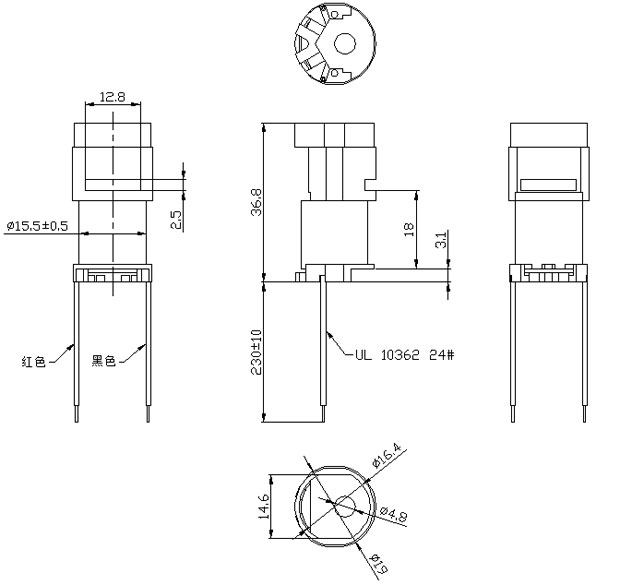
HID氙氣車燈電磁線圈 汽車氙氣大燈電磁閥線圈參數
| 電壓: | DC24V | 高度: | 電阻: | 144歐 | 壽命: | ||
| 電流: | 167MA | 通電率: | 100% | 耐溫: | 功率: | 4W | |
| 線圈高斯: | 外徑: |
HID氙氣車燈電磁線圈 汽車氙氣大燈電磁閥線圈產品詳情
HID氙氣車燈電磁線圈 汽車氙氣大燈電磁閥線圈
型號:SDL-XQ0518A-24L144
參數
行程:1.5MM
電壓:DC24V
電流:167MA
初始力:45G
電阻:144歐
功率:4W
通電率:100%
產品使用行業:HID氙氣車燈
產品執行功能:推拉變光
拓展適用行業:汽車車燈,所有照明燈
產品特點:體積小,耐高溫,力量大,可以長時間通電。






廣州思德隆電子有限公司(http://www.iuiuw.cn)創立于2005年,是一家專業生產研發電磁線圈,HID氙氣車燈電磁線圈,汽車氙氣大燈電磁閥線圈等各類電磁產品,擁有豐富行業經驗的電磁線圈廠家。品種多樣,規格齊全,產品從零部件到成品組裝均有自己的加工設備以及產生線,擁有高精密度檢測儀器和自主研發的老化設備,已通過(ISO9001認證)產品設計到樣品以及量產,均有量化高效的工藝流程及老化實驗檢測,保證了產品的質量與訂單的按時交貨。
http://www.iuiuw.cn/newsinfo-92.html
http://www.iuiuw.cn/newsinfo-89.html
http://www.iuiuw.cn/newsinfo-88.html
http://www.iuiuw.cn/newsinfo-87.html
關鍵詞:HID氙氣車燈電磁線圈,汽車氙氣大燈電磁閥線圈
| 上一篇:開關感應電磁閥線圈 |
| 下一篇:直流高頻振動電磁閥線圈 |









