• <li id="ss004"></li>
  • <li id="ss004"><tt id="ss004"></tt></li>
  • <li id="ss004"><tt id="ss004"></tt></li><li id="ss004"></li>
  • <li id="ss004"><table id="ss004"></table></li>
    <li id="ss004"><tt id="ss004"></tt></li>
  • <li id="ss004"></li>

    收藏本站|【阿里巴巴店】|【網站地圖】

    廣州電磁鐵/電磁閥/螺線管/電磁線圈廠家-廣州思德隆10年專注電磁應用產品研發生產
    當前位置:首頁 » 電磁鐵 » 電永磁吸盤電磁鐵> » 深海地質勘探取樣器環形電永磁吸盤電磁鐵

    深海地質勘探取樣器環形電永磁吸盤電磁鐵

    發布日期:2016-3-22 來源:思德隆  標簽:電永磁吸盤電磁鐵    瀏覽次數:9442
    深海地質勘探取樣器環形電永磁吸盤電磁鐵
    型號:SDL-DYC23090A-24L6.3
    產品使用對象:深海地質勘探設備
    產品執行功能:取樣器脫落器
    應用領域:
    深海地質勘探設備,遠距離負重長延時開關
    電磁鐵性質:
    現模產品,下單即可批量生產
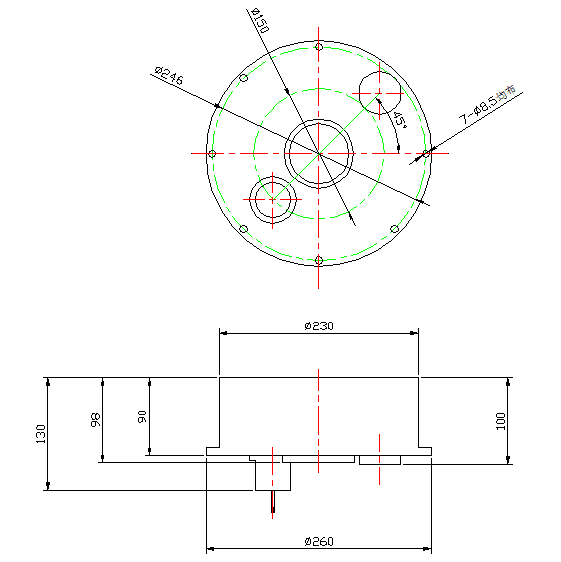
    深海地質勘探取樣器環形電永磁吸盤電磁鐵參數
    電壓: DC24V 行程:   電阻: 6.3歐 功率: 91.4W
    耐溫: 壽命: 3年 耐電壓: 初始力: 240KG
    電流: 3.8A 通電率: 5% 彈簧回力: 吸力:
    深海地質勘探取樣器環形電永磁吸盤電磁鐵產品詳情

    深海地質勘探取樣器環形電永磁吸盤電磁鐵

    型號:SDL-DYC23090A-24L6.3

    參數:

    電壓:DC24V
    電流:3.8A
    電阻:6.3歐
    初始力:240KG
    功率:91.4W
    通電率:5%
    壽命:3年
    環境溫度:0~40
    是否防水:是
    是否耐油:否

    產品描述:環形電永磁吸盤電磁鐵,外觀鍍鎳。電永磁吸盤內部填充無空隙。繞線平整,可應用于深海(海底6000米)地質勘探,灌封膠使用美國3M軟質抗壓灌封膠。接入線長150mm以上。
     

    產品使用行業:深海地質勘探設備
    產品執行功能:取樣器脫落器
    拓展適用行業:遠距離負重長延時開關
     

    產品特點:抗壓、耐腐蝕,長期保持吸力,順時消磁。

    深??碧饺悠魑P電磁鐵圖片

    環形電永磁吸盤電磁鐵圖片

    深??碧饺悠魑P電磁鐵尺寸圖

    廣州思德隆電子有限公司(http://www.iuiuw.cn)創立于2005年,是一家專業生產研發電磁鐵定制加工,電磁閥定制,電磁線圈,小型電磁鐵等各類電磁產品,擁有豐富行業經驗的廣州電磁鐵廠家、廣州電磁閥廠家、電磁線圈廠家。品種多樣,規格齊全,產品從零部件到成品組裝均有自己的加工設備以及產生線,擁有高精密度檢測儀器和自主研發的老化設備,已通過(ISO9001認證)專業制造深??碧饺悠魑P電磁鐵|環形電永磁吸盤電磁鐵從產品設計到樣品以及量產,均有量化高效的工藝流程及老化實驗檢測,保證了產品的質量與訂單的按時交貨。

    關鍵詞:深??碧饺悠魑P電磁鐵,環形電永磁吸盤電磁鐵
    上一篇:沒有信息了
    下一篇:機械手電永磁吸盤電磁鐵
    按功能分類
    按結構分類
    聯系我們
    思德隆聯系方式
    reture top
  • <li id="ss004"></li>
  • <li id="ss004"><tt id="ss004"></tt></li>
  • <li id="ss004"><tt id="ss004"></tt></li><li id="ss004"></li>
  • <li id="ss004"><table id="ss004"></table></li>
    <li id="ss004"><tt id="ss004"></tt></li>
  • <li id="ss004"></li>
    国产一区91 玉溪市| 衡阳市| 武邑县| 城市| 威宁| 枣庄市| 尖扎县| 镇雄县| 炉霍县| 镇平县| 视频| 蓬溪县| 巩义市| 区。| 石门县| 两当县| 文登市| 宣威市| 城步| 南乐县| 从化市| 壤塘县| 大悟县| 巴南区| 桑植县| 常山县| 宁国市| 长宁区| 夏津县| 伊宁县| 阜南县| 海伦市| 和龙市| 辰溪县| 彭泽县| 滁州市| 曲松县| 康马县| 塔河县| 澄江县| 溧水县| http://444 http://444 http://444