按應用分類
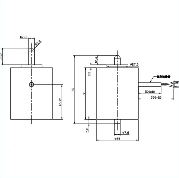
型號:SDL-O2568A-24S16
產品使用對象:公交車投錢箱
產品執行功能:牽引
公交車投錢箱電磁鐵參數
| 電壓: | DC24V | 行程: | 9.5mm | 電阻: | 16歐 | 功率: | |
| 耐溫: | 壽命: | 100萬次 | 耐電壓: | 2000V | 初始力: | ||
| 電流: | 1.5A | 通電率: | 彈簧回力: | 吸力: |
公交車投錢箱電磁鐵產品詳情
名稱:公交車投錢箱電磁鐵
型號:SDL-O2568A-24S16
電壓:DC24V
電流:1.5A
功率:36W
壽命:100萬次
行程:9.5mm
耐壓:2000V
絕緣等級:F級
此電磁鐵采用純鐵DT4C,鐵1215,銅線耐溫155度。琴鋼絲彈簧,等優質材料制作,性能穩定,內部裝配無給油軸承,滑竿動作順暢,無卡死現象。
.jpg)

廣州思德隆電子有限公司(http://www.iuiuw.cn)創立于2005年,是一家專業生產研發電磁鐵,電磁閥,電磁線圈,小型電磁鐵等各類電磁產品,擁有豐富行業經驗的推拉式電磁鐵定制、電磁閥、電磁線圈廠家。品種多樣,規格齊全,產品從零部件到成品組裝均有自己的加工設備以及流水線,擁有高精密度檢測儀器和自主研發的老化設備,公交車投錢箱電磁鐵從產品設計到樣品以及量產,均有量化高效的工藝流程及老化實驗檢測,保證了產品的質量與訂單的按時交貨。
廣州思德隆電磁鐵應用的領域:
1、公共設施電磁鐵:自動販賣機電磁鐵、電梯剎車電磁鐵、自動售貨機電磁鐵、讀卡器電磁鐵、門閘電磁鐵、公共場所噴香機電磁閥、盲燈電磁閥、污水處理計量泵電磁鐵、電瓶車沖電樁電吸鐵、公交車破窗器電磁鐵、客車破窗器電磁鐵、公交車投錢箱電磁鐵等。
2、通訊\工控\自動化設備電磁鐵:海洋傳感與探測、手機用電吸鐵、漏電保護開關電磁鐵、電磁先導閥、礦用電磁先導閥、電液支架電磁閥等。
關鍵詞:公交車投錢箱電磁鐵,投錢箱電磁鐵定做
| 上一篇:公交車/客車破窗器電磁鐵 |
| 下一篇:垂鉤式防墜器FQB3-50 |






