按應用分類
游戲機用大行程框架式推拉電磁鐵
發布日期:2017-6-16 來源:思德隆 標簽:http://www.iuiuw.cn/electromagnetsort-1.html 瀏覽次數:5984
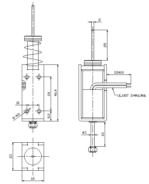
型號:SDL-U0946B-24S24
產品使用對象:游戲機
產品執行功能:推拉
游戲機用大行程框架式推拉電磁鐵參數
| 電壓: | DC24V | 行程: | 20mm | 電阻: | 24 | 功率: | 24W |
| 耐溫: | 壽命: | 20萬次 | 耐電壓: | 初始力: | 80g | ||
| 電流: | 1A | 通電率: | 10% | 彈簧回力: | 吸力: | 80g |
游戲機用大行程框架式推拉電磁鐵產品詳情
游戲機用大行程框架式推拉電磁鐵
型號:SDL-U0946B-24S24
行程:20mm
電壓:DC24V
電流:1A
電阻:24
功率:24W
初始力:80g
通電率:10%
壽命:20萬次
單次通電時間:0.5秒
產品使用對象:游戲機
產品執行功能:推拉
拓展適用行業:自動化設備
產品特點:體積小,力量大,行程長,通電時間長。




廣州思德隆電子有限公司(http://www.iuiuw.cn/)創立于2005年,是一家專業生產研發電磁鐵定制加工,小型電磁鐵等各類電磁產品,擁有豐富行業經驗的廣州電磁鐵廠家。品種多樣,規格齊全,產品從零部件到成品組裝均有自己的加工設備以及產生線,擁有高精密度檢測儀器和自主研發的老化設備,已通過(ISO9001認證)專業制造游戲機用大行程框架式推拉電磁鐵從產品設計到樣品以及量產,均有量化高效的工藝流程及老化實驗檢測,保證了產品的質量與訂單的按時交貨。
http://www.iuiuw.cn/newsinfo-89.html
http://www.iuiuw.cn/newsinfo-88.html
http://www.iuiuw.cn/newsinfo-87.html
http://www.iuiuw.cn/newsinfo-80.html
關鍵詞:游戲機用推拉電磁鐵,大行程框架式推拉電磁鐵
| 上一篇:大行程強力電磁鐵產品定制廠家 |
| 下一篇:機械自動化設備用圓管推拉式電磁鐵 |






