按應用分類
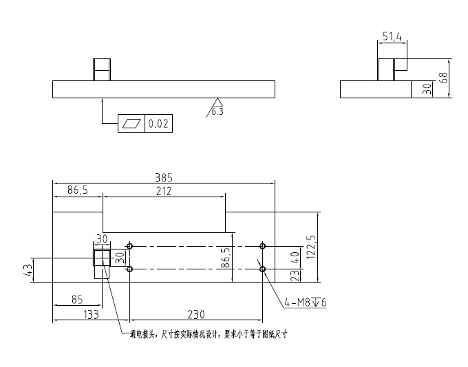
型號:SDL-XP38512330A-24S1.6
產品使用對象:汽車零部件自動化生產線
產品執行功能:機械手
24V機械手吸盤式電磁鐵參數
| 電壓: | DC24V | 行程: | 電阻: | 1.6歐 | 功率: | 360W | |
| 耐溫: | 壽命: | 耐電壓: | 初始力: | 50KG | |||
| 電流: | 15A | 通電率: | 50% | 彈簧回力: | 吸力: | 50KG |
24V機械手吸盤式電磁鐵產品詳情
24V機械手吸盤式電磁鐵
型號:SDL-XP38512330A-24S1.6
參數
電壓:DC24V
電流:15A
功率:360W
電阻:1.6歐
初始力:50KG
通電率:50%
單次通電時間:10S
使用率1440次/天
環境溫度:20度
是否防水:是
是否防油:是
溫升要求:65度
產品使用行業:汽車零部件自動化生產線
產品執行功能:機械手
拓展適用行業:自動化設備
產品特點:電流小,溫升低;力量大、無剩磁。




廣州思德隆電子有限公司(http://www.iuiuw.cn)創立于2005年,是一家專業生產研發電磁鐵定制加工,電磁閥定制,電磁線圈,小型電磁鐵等各類電磁產品,擁有豐富行業經驗的廣州電磁鐵廠家、廣州電磁閥廠家、電磁線圈廠家。品種多樣,規格齊全,產品從零部件到成品組裝均有自己的加工設備以及產生線,擁有高精密度檢測儀器和自主研發的老化設備,已通過(ISO9001認證)專業制造吸盤式電磁鐵定制/透鏡電磁鐵從產品設計到樣品以及量產,均有量化高效的工藝流程及老化實驗檢測,保證了產品的質量與訂單的按時交貨。
關鍵詞:24V機械手吸盤式電磁鐵
| 上一篇:機器人CNC取料電磁鐵生產定制 |
| 下一篇:機械手強力無剩磁吸盤電磁鐵 |






