按應用分類
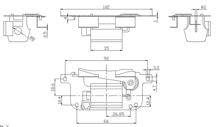
型號:SDL-C0835B-12S24
產品使用對象:LED汽車燈
產品執行功能:變遠近光
LED汽車燈變遠近光透鏡電機參數
| 電壓: | DC12V | 行程: | 電阻: | 24歐 | 功率: | 6W | |
| 耐溫: | 180度 | 壽命: | 50萬次 | 耐電壓: | 初始力: | 120G | |
| 電流: | 0.5A | 通電率: | 100% | 彈簧回力: | 吸力: |
LED汽車燈變遠近光透鏡電機產品詳情
LED汽車燈變遠近光透鏡電機_電磁鐵_汽車大燈電磁閥定制
型號:SDL-C0835B-12S24
參數
電壓:DC12V
電流:0.5A
初始力:120G
電阻:24歐
功率:6W
通電率:100%
壽命:50萬次
環境溫度:180度
產品使用行業:LED汽車燈
產品執行功能:變遠近光
拓展適用行業:透鏡
產品特點:耐高溫180度,無卡死現象。



廣州思德隆電子有限公司(http://www.iuiuw.cn)創立于2005年,是一家專業生產研發電磁鐵定制加工,電磁閥定制,電磁線圈,小型電磁鐵等各類電磁產品,擁有豐富行業經驗的廣州電磁鐵廠家、廣州電磁閥廠家、電磁線圈廠家。品種多樣,規格齊全,產品從零部件到成品組裝均有自己的加工設備以及產生線,擁有高精密度檢測儀器和自主研發的老化設備,已通過(ISO9001認證)專業制造車燈電磁鐵/透鏡電磁鐵從產品設計到樣品以及量產,均有量化高效的工藝流程及老化實驗檢測,保證了產品的質量與訂單的按時交貨。
關鍵詞:汽車大燈電磁閥,LED汽車燈變遠近光,變遠近光透鏡電機
| 上一篇:框架推拉式電磁鐵 |
| 下一篇:門鎖長軸銷電磁鐵定做 |






