| 電壓: | DC12V | 行程: | 5mm | 電阻: | 功率: | ||
| 耐溫: | 壽命: | 耐電壓: | 初始力: | 100G | |||
| 電流: | 通電率: | 彈簧回力: | 吸力: |
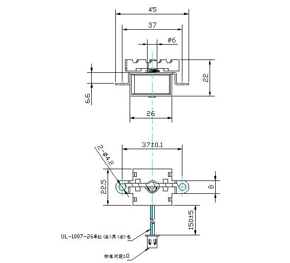
名稱:真幣投幣器電磁鐵
型號:SDL-U0614A-12L
本品適用多款投幣器。傳統幣、電子幣。
彈簧、功率經過加大處理,沒有卡幣現象,聲音清脆。
此電磁鐵以導磁體作框架,暢開式線圈的優點,同時獨具行程長,力量大的特點。 外形小巧,結構簡潔,安裝連接容易,維護方便的直線運動的電磁鐵,本類別的螺線管通過拉入(拉近)滑桿,或推出頂桿對外工作。 鐵心直徑范圍在2mm-20mm。

.jpg)
投幣器電磁鐵的重點在于線圈的質量,線圈質量恒定,就意味著投幣器分辨真假幣的恒定性。
因此,我司在做投幣器線圈的時候,從線圈的銅線用材,到參數設定進行了嚴格的控制,確保了電磁鐵的品質恒定。
外殼可根據客戶的要求進行定位孔及形狀的設計。
廣州思德隆電子有限公司(http://www.iuiuw.cn)創立于2005年,是一家專業生產研發電磁鐵廠家,電磁閥,電磁線圈,小型電磁鐵等各類電磁產品,擁有豐富行業經驗的廣州牽引式電磁鐵廠家、電磁閥、電磁線圈廠家。品種多樣,規格齊全,產品從零部件到成品組裝均有自己的加工設備以及流水線,擁有高精密度檢測儀器和自主研發的老化設備,真幣投幣器電磁鐵從產品設計到樣品以及量產,均有量化高效的工藝流程及老化實驗檢測,保證了產品的質量與訂單的按時交貨。
廣州思德隆電磁鐵應用的領域:
1、家用電器用電磁鐵:多仕爐用電磁鐵、面包機用電磁鐵、咖啡機用電磁鐵、壓力電飯包用電磁鐵、洗衣機用電磁鐵、空調用電磁鐵、洗碗機用電磁鐵、消毒碗柜用電磁鐵、飲水機電磁鐵、微波爐用電磁鐵、電唱機電磁鐵、DVD光驅CDROM電磁鐵、家用噴香機電磁閥等。
2、金融設備電磁鐵:(取款機電磁鐵、ATM機電磁鐵、點鈔機電磁鐵、驗鈔機電磁鐵,換鈔機電磁鐵、販賣機投幣器電磁鐵、收銀機電磁鐵、錢箱電磁鐵、等);
3、游戲機\玩具電磁鐵:身感游戲槍電磁鐵/彈子機電磁鐵、游戲機電磁鐵、存錢盒電磁鐵、挖糖機電磁鐵、玩具鋼琴電磁鐵、彈珠臺電磁鐵娃娃游戲機電磁鐵、等。
| 上一篇:沒有信息了 |
| 下一篇:汽摩大燈透鏡電磁鐵 |






