型號:SDL-XQ684939-12
產品使用對象:振動盤電磁鐵
產品執行功能:
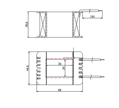
振動盤線圈參數
| 電壓: | 3v----380V可定制 | 高度: | 電阻: | 壽命: | |||
| 電流: | 通電率: | 耐溫: | 功率: | ||||
| 線圈高斯: | 外徑: |
振動盤線圈產品詳情
名稱:振動盤線圈
型號:SDL-XQ684939-12
1.電壓:3v----380V可定制
2.外接導線可以定制
3.此線圈用于振動盤電磁鐵
4.振動盤電磁鐵是由矽鋼片和線圈組成。
5.此款線圈用于IE型的矽鋼片
6.振動盤電磁鐵用于自動化設備,振動盤是一種自動組裝或自動加工機械的輔助送料設備。它能把各種產品有序地排列出來,配合自動組裝設備將產品各個部位組裝起來成為完整的一個產品,或者配合自動加工機械完成對工件的加工。


廣州思德隆電子有限公司(http://www.iuiuw.cn)創立于2005年,是一家專業生產研發電磁鐵,電磁閥,電磁線圈,小型電磁鐵等各類電磁產品,擁有豐富行業經驗的廣州電磁鐵、電磁閥、電磁線圈廠家。品種多樣,規格齊全,產品從零部件到成品組裝均有自己的加工設備以及流水線,擁有高精密度檢測儀器和自主研發的老化設備,振動盤線圈從產品設計到樣品以及量產,均有量化高效的工藝流程及老化實驗檢測,保證了產品的質量與訂單的按時交貨。
關鍵詞:振動盤線圈,廠家訂做
| 上一篇:防水/防油電磁線圈定制 |
| 下一篇:磁芯/磁灌線圈 |









